客戶需求
中國南方電網(CSG)是中國第二大運行高壓交流和直流輸電線路的電網。主要負載位于電網的東部,而主要發電機位于西部。500 千伏交流走廊和 500 千伏/ 800 千伏高壓直流走廊都被用于從西向東傳輸所需的電力。梧州 500 千伏變電站是這些走廊中間的一個重要節點,可接收來自西部交流和直流輸電線路的電力。
來自東部的電力需求逐年增加,這使得現有走廊的傳輸能力面臨越來越大的壓力。CSG 必須盡最大努力提高其功率傳輸極限。
根據一項系統研究,梧州變電站額定電壓為 210 兆乏的 SVC 將改善這種情況。廣西-廣東走廊的傳輸限制將增加 100 兆瓦,云南-廣東走廊將增加 30 兆瓦,貴州-廣東走廊也將增加 30 兆瓦。因此,理論上,SVC 在運行時將獲得額外的 160 兆瓦功率。同時,當附近發生任何線路故障時,該 SVC 也可以提高動態電壓穩定性。
RXPE 解決方案
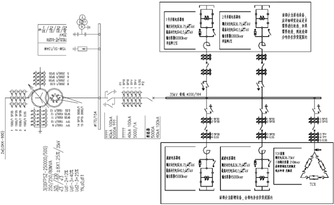
2008 年,RXPE 為 CSG 梧州 500 千伏變電站設計并交付了 210 萬兆乏的 SVC。SVC 包括一個 TCR 支路和兩個諧波濾波器支路以及兩個MSC 支路,輸出電容從 - 120 兆乏電感到+ 210 兆乏電容。中壓母線設計為 35kV,通過專用降壓變壓器與 500kV 母線相連。
客戶利益
梧州 SVC 成功實現了設計目標。它使 CSG 調度中心能夠增加這些走廊從西向東的傳輸功率流。同時,它也提高了相鄰電網的電壓穩定性。2009 年 6 月 5 日,由于線路故障,變電站500千伏母線電壓迅速下降。SVC 的運行支撐了線路電壓,并幫助電網成功渡過難關,這也驗證了其動態性能。
福建省華安水電廠電力發展公司35kV金山2#變電站10kV母線接有裕興Ⅰ、Ⅱ、Ⅲ、Ⅳ路4條饋線,供華易鑫鐵廠負荷,其中裕興Ⅰ、Ⅱ路分別供兩臺容量為8000kVA電弧爐,裕興Ⅲ路供一臺容量為4000kVA精煉爐,裕興Ⅳ路供一臺容量630kVA動力變及5000kVA無功補償裝置。正常生產時,兩臺電弧爐和精煉爐會同時生產。
硯山串補站于 2009 年由另一家供應商所裝配,旨在提高文山-大新 500 千伏線路的輸電能力、穩定性和可靠性,減少損耗,優化電網。
Copyright 2025 lylsm.cn | All rights Reseved