客戶需求
CSG 是中國第二大電網,主要輸電線路額定電壓為 500 千伏。在 CSG 中,大多數發電廠位于西部,但是主要負載位于東部。目前修建有長輸電線路走廊,每天從西向東傳輸電力。
對電力日益增長的需求已成為 CSG 面臨的一大挑戰。因此,提高現有交流和直流輸電線路的輸電能力愈發重要。
一項系統研究表明,云南電網地區的博尚 500 千伏變電站是大走廊的傳輸瓶頸,需要通過串聯電容器來增強。
RXPE解決方案
在博尚SC項目中,RXPE共交付了四套500千伏SC。其中兩個安裝在德宏-博尚雙回路線路上,容量為2*620兆乏,另外兩個安裝在博尚-墨江雙回路鄉路上,容量為2*425兆乏,補償度各為50%。
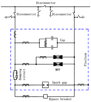
博尚SC保護方案設計為MOV加火花間隙和旁路斷路器。假設外部線路發生故障,MOV應旁路故障電流,火花間隙和斷路器都不允許起用;只有當內部線路發生故障時,才允許火花間隙和斷路器旁路。除內部線路故障外,這意味著SC將永遠運行,以提高可用性。
德宏-博尚SC的MOV設計為58MJ/ph,博尚-墨江設計為85MJ/ph。所有MOV柱均采用聚合物外殼。
電容器組、MOV、火花間隙、阻尼電路以及高壓電子設備位于絕緣平臺的頂部,而控制和保護盤位于平臺旁邊地面上的保護柜中。光纖被用于C&P配電板和高壓電子設備之間的通訊。C&P系統設計為全余度系統,以獲得高可靠性和可用性。
客戶利益
博尚串聯電容器已于 2010 年投產。
該項目顯著提高了云南電網的“南走廊”傳輸能力,并成功解決了該地區的“傳輸瓶頸”問題。此外,博尚 SCs 的成功運行也有助于提高電網的系統穩定性。
遼寧榮信興業電力技術有限公司
中國鞍山科技路108號,114051
電子郵件:overseas@lylsm.cn
福建省華安水電廠電力發展公司35kV金山2#變電站10kV母線接有裕興Ⅰ、Ⅱ、Ⅲ、Ⅳ路4條饋線,供華易鑫鐵廠負荷,其中裕興Ⅰ、Ⅱ路分別供兩臺容量為8000kVA電弧爐,裕興Ⅲ路供一臺容量為4000kVA精煉爐,裕興Ⅳ路供一臺容量630kVA動力變及5000kVA無功補償裝置。正常生產時,兩臺電弧爐和精煉爐會同時生產。
硯山串補站于 2009 年由另一家供應商所裝配,旨在提高文山-大新 500 千伏線路的輸電能力、穩定性和可靠性,減少損耗,優化電網。
Copyright 2025 lylsm.cn | All rights Reseved